User Tools

Site Tools


4328a_milliohmmeter

4328A Milliohmmeter

First Catalog ?
Last Catalog ?
Range 1 mOhm - 100 Ohms

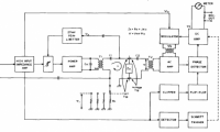
The 4328A is a low-resistance ohmmeter with a range of 100 milliohms to 100 Ohms. It uses AC-based Kelvin bridge measurement setup and passes no more than 20mV through the device under test.

Option 001 provides battery-based operation.

The front panel connector is Hirose part number RM12BPE-5PH(71), DigiKey p/n HR1732-ND as of 2019.

The original battery packs (2x) are Yuasa 5/225FZ. This is a stack of five Yuasa 225FZ NiCd button cells, 1.2V, 225mAh, 25mm diameter, 8.5mm tall.

Connector pinout:

Pin Signal
1 voltage at current source
2 control of current source
3 current source
4 voltage at current sink
5 current sink

Connection example: pins 1 & 3 should be connected to one terminal of the DUT, and pins 2, 4, & 5 should be connected to the other.

component_measurement:4328a.jpg component_measurement:4328a-connector-detail.jpg component_measurement:4328a-block-diagram.png

4328a_milliohmmeter.txt ยท Last modified: 2020/07/01 22:14 by mcguire

Page Tools